搜索
中文
English
速业首页
关于我们
公司简介
公司文化
公司展会
产品中心
直齿系列行星减速机
斜齿系列行星减速机
中空旋转平台
RV/RW蜗轮蜗杆减速机
准双曲面TKM减速机
凸轮分割器
中型齿轮减速马达
技术服务
斜齿系列行星减速机PDF资料
直齿系列行星减速机 PDF资料
中空旋转平台
RV/RW蜗轮蜗杆减速机
TKM减速机
凸轮分割器
中型齿轮减速马达
应用案例
工业机器人及周边装置
半导体制造设备
医疗设备
金属加工领域
印刷领域
包装机械
新闻中心
公司新闻
行业新闻
常见问题
联系我们
您好!欢迎访问东莞市速业精密机械有限公司
中文
|
English
联系我们
切换导航
速业首页
关于我们
公司简介
公司文化
公司展会
产品中心
直齿系列行星减速机
斜齿系列行星减速机
中空旋转平台
RV/RW蜗轮蜗杆减速机
准双曲面TKM减速机
凸轮分割器
中型齿轮减速马达
技术服务
斜齿系列行星减速机PDF资料
直齿系列行星减速机 PDF资料
中空旋转平台
RV/RW蜗轮蜗杆减速机
TKM减速机
凸轮分割器
中型齿轮减速马达
应用案例
工业机器人及周边装置
半导体制造设备
医疗设备
金属加工领域
印刷领域
包装机械
新闻中心
公司新闻
行业新闻
常见问题
联系我们
产品中心
首页
>
产品中心
>
凸轮分割器
Product
产品中心
直齿系列行星减速机
斜齿系列行星减速机
中空旋转平台
RV/RW蜗轮蜗杆减速机
准双曲面TKM减速机
凸轮分割器
中型齿轮减速马达
联系我们
东莞市速业精密机械有限公司
陈俊文:13751299140
电话:0769-85497687(8线)
邮箱:cjw_221@163.com
地址:广东省东莞市万江街道金鳌路11号118室
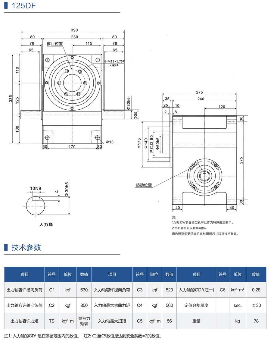
凸轮分割器
凸缘型DF系列
45DF、6ODF、70DF、80DF、100DF、110DF、125DF、140DF、80DF、250DF、350DF
此机种具有重负荷特性,可承受较大的垂直径向或轴向压力,其输出轴为法兰盘式设计,有凸缘中心、盘面螺孔、定位、销孔、固定面宽大,可使链接件更具坚实平稳。最能适用于较大负荷的回转式圆盘驱动场合,被广泛使用在各类盘式加工机械及类似机构的产业机械;自动化间歇驱动部,驱动圆盘。
立即联系
产品描述
PDF下载
在线留言
新品推荐
斜齿行星减速机 PA系列
斜齿行星减速机 PDR系列
斜齿行星减速机 PD系列
斜齿行星减速机 PBR系列
首页
产品
关于
联系
微信咨询服务
13751299140
在线客服
在线客服
在线客服